본문 바로가기 주메뉴 바로가기

사업분야

축적된 기술력으로 다양한 산업 분야에 최적의 해답을 제공합니다.

전력계통분석

전력계통분석

전력계통의 분석을 통한
신뢰성 높은 계통운영

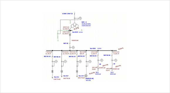
전력계통의 신뢰도를 유지하고, 안정된 상태에서 높은 품질의 전력을 공급하기 위해 발전, 송전, 배전 및 전기산업 전반의 설계 및 운영은 계통분석을 실시하여 이를 반영되어야 합니다.

종류

  • 릴레이코디네이션
  • 고장전류 계산
  • 아크플러시 Analysis
  • 전력조류분석
  • 대형전동기 기동분석
  • Voltage Drop
  • Harmonics Analysis

참조 그림